Будьте всегда в курсе!
Узнавайте о скидках и акциях первым
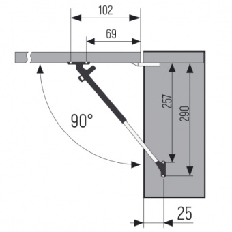
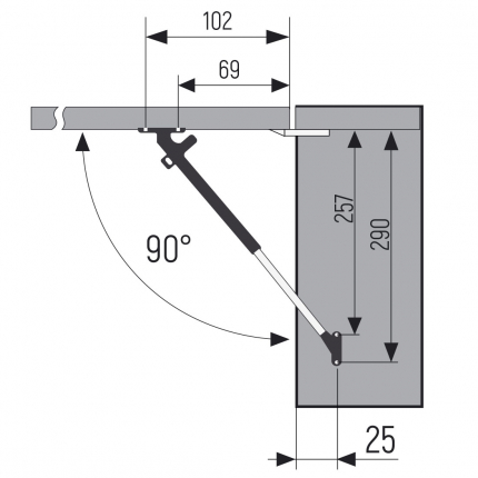
Кронштейн газ 120 Н Доводчик Серый SETE
Артикул:
GL-120N-BUF
Кронштейн газ 120 Н Доводчик Серый SETE
Подробнее
309 руб./шт
Есть в наличии (39)
-
+
Цена действительна только для интернет-магазина и может отличаться от цен в розничных магазинах






























