-
Мебельная фурнитура
- Ящики
-
Направляющие
-
Ручки
-
Крючки
-
Подъёмные механизмы
-
Петли
- Замки и сопутствующее
- Воски
- Заглушки
- Колёса
- Газлифты
- Механизмы для столов
- Декор
- Замки
- Комплектующие для пластиковых окон
- Держатели и уголки
- Штанги и трубы
- Держатели для зеркал
- Для компьютерного стола
- Толкатели
- Опоры
- Подложка
- Светодиоды
- Уголки
- Удлинители
- МДФ Панели, профиль и кромка
- Уплотнители
- Плинтуса и аксессуары
- BLUM
- Матрасы
- Офисные стулья и кресла
- Вытяжки
- Алюминиевые системы и перегородки
- Мойки
- Столешницы, щиты и сопутствующие
- Крепёж и прочее
- Наполнения шкафов
- Наполнения кухонь
- Сантехника
- Шкафы купе
Будьте всегда в курсе!
Узнавайте о скидках и акциях первым
Профиль для кухонных баз "C" COMBI Белый 6 м
Профиль для кухонных баз "C" COMBI Белый 6 м
Подробнее
692 руб./шт
Есть в наличии (35)
-
+
В корзинуВ корзине
Поделиться
Цена действительна только для интернет-магазина и может отличаться от цен в розничных магазинах
Описание
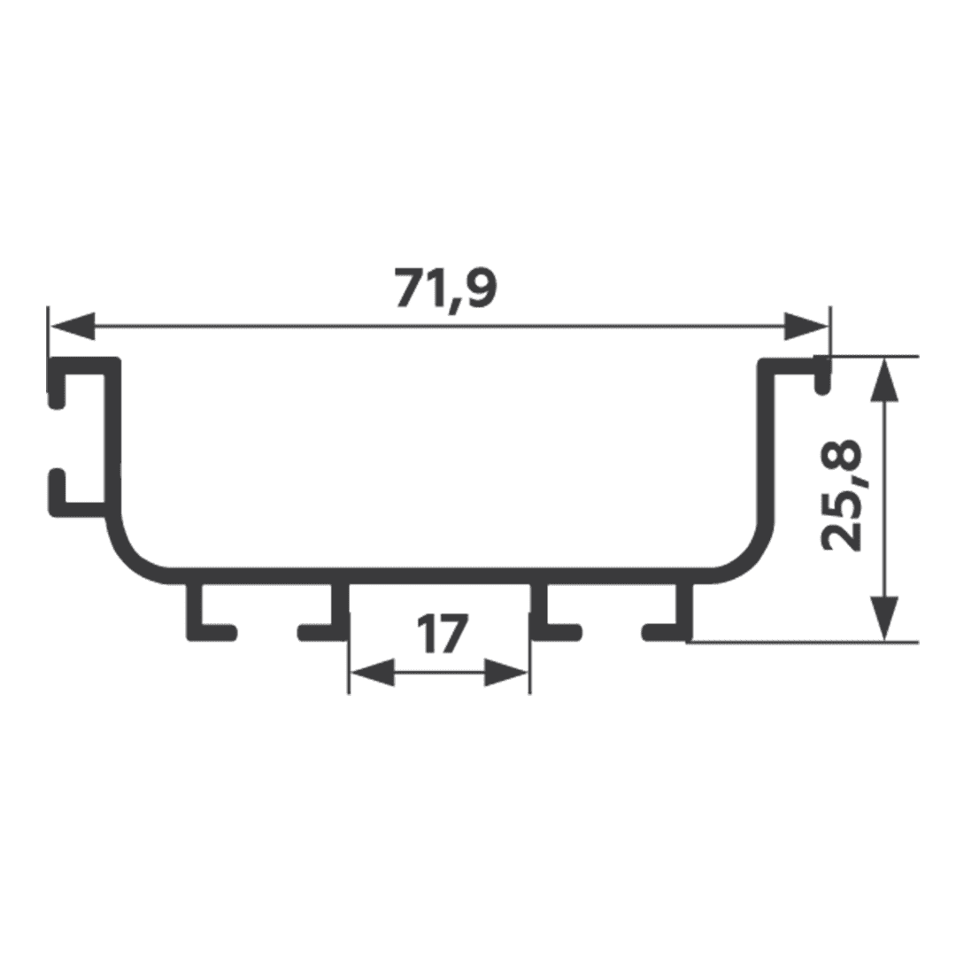
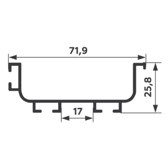
Профиль для кухонных баз
Назначение:
Профиль горизонтальный/вертикальный с двумя закруглениями универсального использования:
— в нижнюю кухонную базу, между выдвижными ящиками, горизонтально за 2 фасада;
— в пеналы горизонтально также между 2 фасадами.
Применение: Установка в нижнюю кухонную базу / Установка в пенал, колонну .
Форма: C-образный
Размеры: 71,9 х 25,8 х 6000 мм
Материал: Алюминий
Цвет: Белый
Вид покрытия: Глянцевый
Вес: ХХХ гр
Количество в упаковке: 4 шт
Страна производства: Россия
Алюминиевый профиль для кухонной мебели с фасадами без ручек.
C-образная часть для фасадов ящиков.
Профиль устанавливается позади фасада.
ЛОГИСТИЧЕСКАЯ ИНФОРМАЦИЯ
Тип упаковки: Картонная коробка
Размер упаковки (ШхГхВ): ХХХ х ХХХ х ХХХ
Объём упаковки: ХХХ м3
Масса упаковки брутто ХХХ кг
Назначение:
Профиль горизонтальный/вертикальный с двумя закруглениями универсального использования:
— в нижнюю кухонную базу, между выдвижными ящиками, горизонтально за 2 фасада;
— в пеналы горизонтально также между 2 фасадами.
Применение: Установка в нижнюю кухонную базу / Установка в пенал, колонну .
Форма: C-образный
Размеры: 71,9 х 25,8 х 6000 мм
Материал: Алюминий
Цвет: Белый
Вид покрытия: Глянцевый
Вес: ХХХ гр
Количество в упаковке: 4 шт
Страна производства: Россия
Алюминиевый профиль для кухонной мебели с фасадами без ручек.
C-образная часть для фасадов ящиков.
Профиль устанавливается позади фасада.
ЛОГИСТИЧЕСКАЯ ИНФОРМАЦИЯ
Тип упаковки: Картонная коробка
Размер упаковки (ШхГхВ): ХХХ х ХХХ х ХХХ
Объём упаковки: ХХХ м3
Масса упаковки брутто ХХХ кг
Характеристики
| Реквизиты | Товары, Товар, 38304, 0 |
Задать вопрос
Вы можете задать любой интересующий вас вопрос по товару или работе магазина.
Наши квалифицированные специалисты обязательно вам помогут.
Наши квалифицированные специалисты обязательно вам помогут.



























